Beatsonic komplett monteringskit 2-DIN

IS u/navi m/aktivt system (2006-2012)

Varenr:SLX140L
Beatsonic komplett monteringskit 2-DIN IS u/navi m/aktivt system (2006-2012) Beatsonic komplett monteringskit 2-DIN IS u/navi m/aktivt system (2006-2012) Beatsonic komplett monteringskit 2-DIN IS u/navi m/aktivt system (2006-2012) Beatsonic komplett monteringskit 2-DIN IS u/navi m/aktivt system (2006-2012)
4 130,-
Ink.mva.
-+
Leverandør: Forventet om (20 dager)
Lager: 0
  • Fri frakt over kr 1000,-*
  • 14 dager åpent kjøp
  • Les her om kjøp og retur
Delbetaling fra 185,-/måned

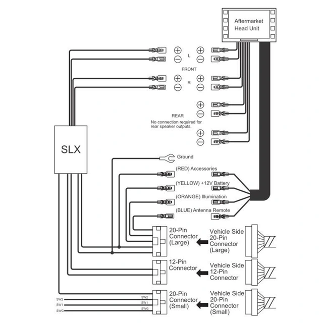
Komplett sett for å montere 2-DIN spiller i følgende modeller med Mark Levinson
eller Lexus Premium Soundsystems:


 

Passer til følgende modeller (uten navigasjon, med aktivt høyttalersystem og automatgir)
Lexus IS200d 2011 - 2012
Lexus IS220d 2006 - 2010
Lexus IS250 2006 - 2012
Lexus IS350 2006 - 2012
Lexus IS-C 2010 - 2015
Lexus IS-F 2008 - 2014
 
 
Settet inneholder:
Midtkonsoll sidedeksler
2-Din braketter
Integreringsadapter med OEM Lexus plugger
  
 
Merk!

Multifunksjonsadapter for knappene på rattet følger ikke med. Se tilbehør (AXSWC)

Beatsonic komplett monteringskit 2-DIN. IS u/navi m/aktivt system (2006-2012)